1. 黄瓜视频污在线观看,黄瓜视频成人,黄瓜APP在线下载,黄瓜视频污在线播放

    苏州黄瓜视频污在线观看光电科技有限公司

    0512-67061953 173-1582-5640

    产品中心PRODUCT DISPLAY

    南通OMT-PG60显微镜可调偏振光光源类别:显微镜光源

    OMT-PG60显微镜可调偏振光光源

    0512-67061953 173-1582-5640

    产品详情

    OMT-PG60显微镜可调偏振光光源

    b523c319e7d77f9cb1fdebc95184ba81.png

    1.特殊偏光材料,偏光旋转图像清晰

    2.光亮度可调0~100%

    3.一体化设计,方便安装节省使用空间

    4.电源与光源分开设计,电源输入插头可换美规、欧规、国际等插头,已通过UL认证

    5.光源调节时无色温变化

    6.使用LED颗粒,寿命长,无荧光灯闪烁现象,图像清晰

    技术指标 


    LED数量

    120颗(Φ3插件灯珠)

    输入电压

    DC24V/500mA

    驱动方式

    恒压

    光亮调节范围

    0~100%

    环境温度/湿度

     温度:0~40℃、湿度:20~80%非凝结

    颜色

    白色

    使用寿命

    20000小时

    使用工作距离(mm)

    40~120

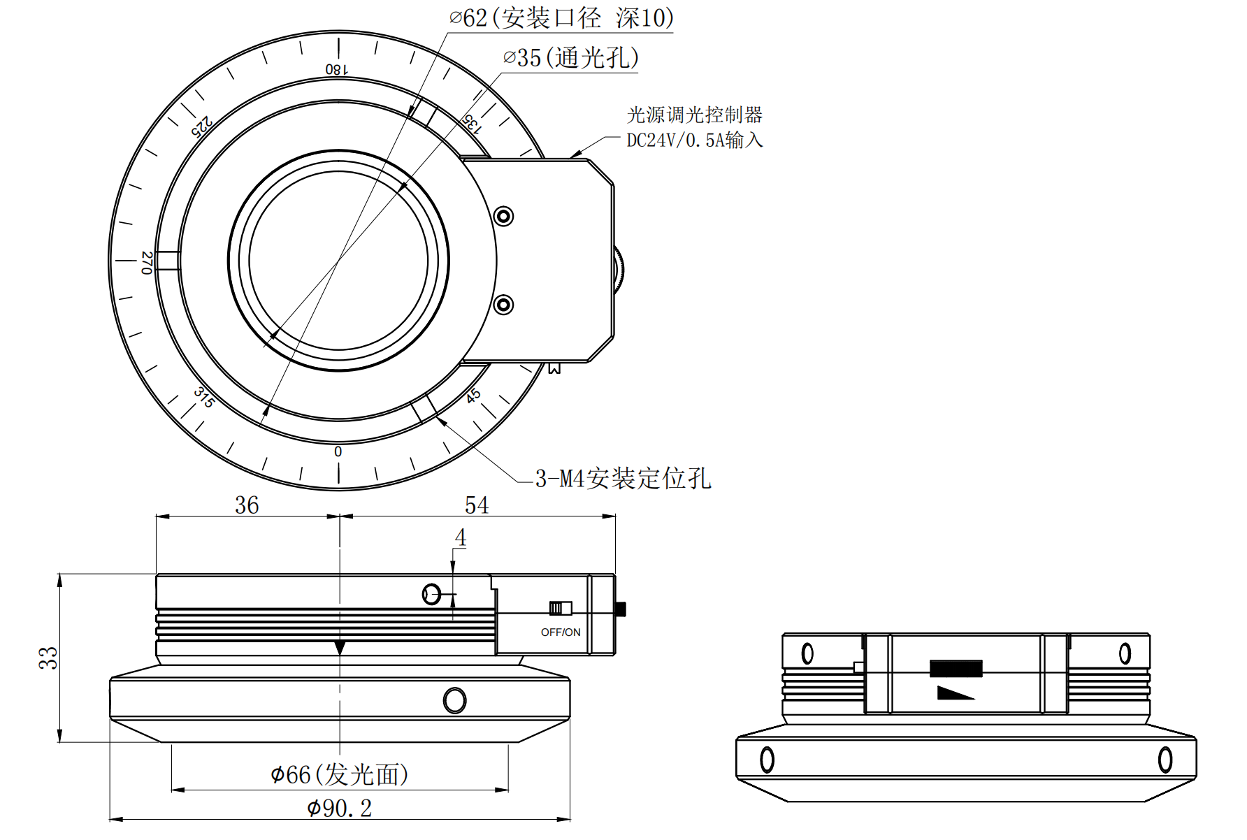
    安装口径(mm)

    Φ62

    外形尺寸(mm)

    外径Φ90X内径Φ35X高33X长99

    重量(g)

    350

    经典案例:

    1650886252980669.png

    光源尺寸:

    1650886302344009.png





    相关标签:

    173-1582-5640

    公司地址:苏州市工业园区胜浦路258号26栋厂房

    网站地图